安心な暮らしのために、玄関ドアにできること。
高齢者にとって、玄関はふらつきによる転倒事故が起こりやすい場所でした。
そこで、YKK APの補助手すり付き玄関ドア。
立ち上がる時につかまれば支えになり、車椅子での通行も、よりスムーズに。
スマートドアにすれば、施解錠も楽々。
高齢者の暮らしは、玄関ドアひとつで安心になります。

障子操作を安全にサポートする指はさみ防止策
EXIMA 31
指はさみ防止用ストッパー(オプション設定)
サッシたて枠に指はさみを防止するストッパーを設置し、安全へ配慮します。
障子を開けるとストッパーが自動的に作動、障子を閉める際にストッパーが枠との間にすき間をつくり、指のはさまれを防ぎます。

内観
-

横断面図

障子が開くとストッパーが作動

閉めるときの指はさみ防止
窓のかまち部を優しく包み込み、衝突時にケガをする可能性を軽減
EXIMA 31・32・51
かまち用保護カバー(オプション設定)
アルミに比べて柔らかい樹脂材を使用し、かまち部分のアルミ角を丸みのある形状で覆います。
万が一衝突した場合でもケガをしにくく、痛さも緩和できます。

EXIMA 31 かまち用保護カバーは、第10回キッズデザイン賞を受賞しました。
誤って指をはさんでしまった際の衝撃を緩和
EXIMA 31・51
R形状たてかまちで指のはさまれを防ぐ
EXIMA 31・51
片開きドア/両開きドア【かまちタイプ・指はさみ防止仕様】
中心吊ピボットヒンジを採用し、吊元側のたてかまちの形状をR型にしました。
ドアの開閉時に吊元側の枠と障子の間にすき間が生じないので、つまずいて不意に吊元側に手をおいてしまった場合でも、指のはさまれを未然に防ぎます。
中心吊ピボットヒンジは枠・障子内に取り付きます。外部に部品が露出しないので、簡単に清掃できます。

内観
-

R形状のたてかまち(吊元側・室内側)


ドアの開閉時に隙間ができません(吊元側・横断図面)
丸形のたてかまちで指はさみを防ぐ
EXIMA 31e・51e
自由開きドア【フロアヒンジドア】指はさみ防止仕様
吊元側のたてかまちの形状を丸型にしました。
ドアの開閉時に吊元側の枠と障子の間にすき間が生じないため、つまずいて不意に吊元側に手をおいてしまった場合でも、指のはさまれを未然に防ぎます。

外観
-

丸型のたてかまち(吊元側・室内側)


吊元側 横断図面

EXIMA 31e・51eフロアヒンジドア【指はさみ防止仕様】は、第7回キッズデザイン賞を受賞しました。
R形状たてかまちで指はさみを防ぐ
EXIMA 31e・51e
片開きドア / 両開きドア【ピボットヒンジドア】指はさみ防止仕様
中心吊ピボットヒンジを採用し、吊元側のたてかまちの形状をR型にしました。
ドアの開閉時に吊元側の枠と障子の間にすき間が生じないので、つまずいて不意に吊元側に手をおいてしまった場合でも、指のはさまれを未然に防ぎます。
中心吊ピボットヒンジは枠・障子内に取り付きます。外部に部品が露出しないので、簡単に清掃できます。

外観
-

R形状のたてかまち(吊元側・室内側)


吊元側 横断図面

EXIMA 31e・51eピボットヒンジドア【指はさみ防止仕様】は、第7回キッズデザイン賞を受賞しました。
エントランスでの衝突を防ぐ更なる安全性への配慮
EXIMA 51e
防護スクリーン付自動ドア【一般スライド】
戸袋側に防護スクリーンを設置し、自動ドアが開く際の更なる安全性に配慮しました。
防護スクリーンは戸袋全面を覆うため、入居者が帰宅した際に、万が一、戸袋側に他の入居者が手をついている場合でも、ドアが開いた際の衝突を防ぎます。

防護スクリーンにより
戸袋全面を覆うことでドアとの衝突を防止
袖FIX窓と防護スクリーンの間に
引き込まれるドア
横断図面
-
■ コーナーゴムの設定(オプション設定)
召合せ部にコーナーゴムを設置することが可能です(オプション)。ドアが開く時に指が引き込まれた場合、コーナーゴムにより痛みを軽減します。
召合せ部

召合せ部に設置したコーナーゴム

EXIMA 51e防護スクリーン付自動ドアは、第8回キッズデザイン賞を受賞しました。
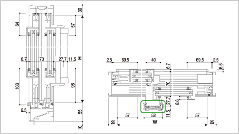
ドアと枠の間にすき間をつくらず指はさみを防止
R's SDX/EXIMA 80St
スチールドア指はさみ防止仕様
指はさみ防止仕様は、すき間ができない構造としています。扉が閉まる際に枠の吊元側に手をおいて、はさまれる事故を防止します。
■ 中心吊ピボットヒンジ
丁番を使わず、扉を吊ることによって扉を支える中心吊ピボットヒンジを採用。吊金具が見えないすっきりしたデザインです。
中心吊ピボットヒンジ

耐震防犯仕様との組み合わせも可能
■ 指はさみ防止構造
ドアと枠の間にすき間をつくらない構造で、指がはさまる事故を防ぎます。


指はさみ防止仕様

標準仕様
扉の室内側に手すりを設置する事で通行性、安全性に配慮
EXIMA 80St/R's SDX
















